5層5站5門獨棟別墅電梯解決方案-南通九里香堤
項目名稱:南通九里香堤 5層5站5門 別墅電梯
項目介紹:南通九里香堤的陸總早期在購買別墅的時候,意向就很明確,別墅內必須要安裝一臺別墅電梯。因此陸總5層的別墅內很早就預留了電梯安裝尺寸,并且電梯井道已經將混淋土澆灌好了。因此別墅裝修和電梯的安裝可以分二步走,不用擔心,電梯安裝破壞原來的房屋的結構和裝修好地面。陸總在朋友家看到過我們Gulion巨菱品牌的私家電梯,對我們質量和服務很是滿意,因此他家這部5層別墅電梯交付于我們設計。
陸總南通九里香堤 別墅外形圖
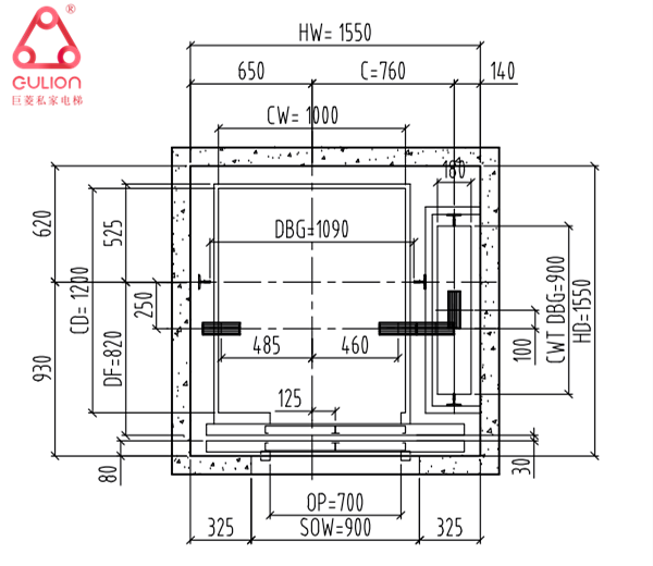
陸總別墅內預留電梯安裝的尺寸和每層的層高都非常的標準,這為后期安裝電梯提供很大便利,最主要后期安裝好電梯形狀非常的漂亮。以下是陸總家5層別墅電梯預留電梯尺寸和每層層高數據,以便給大家做個參考價值。
電梯井尺寸:1550*1550mm(寬*深)
-2F:2500mm;
-1F:2500mm;
1F:3300mm;
2F:3000mm;
頂層高度:4100mm(一般在3000mm以上都很好安裝)
已經建好的電梯井道(混淋土 土建井道)
基于以上數據,Gulion巨菱技術部給出一個詳細的5層5站5門別墅電梯設計方案,具體如下:
陸總 5層別墅電梯 詳細設計圖紙
依據陸總家整體歐式宮廷式家裝風格,我們別墅電梯選定金色蝕刻廳門;內部裝潢吊頂選擇鈦金鏡面蝕刻,LED宮廷風裝飾筒燈;轎壁選擇大理石紋鋁塑板,鏡面不銹鋼蝕刻,PVC邊線裝飾。電梯整體視覺感很震撼!奢華、尊貴、高端的氣質跟家裝風格相得益彰。成品安裝效果圖如下:
Gulion/巨菱私家電梯是一家依托于德國巨菱(Germny Gulion)國際控股集團授權品牌Gulion,集電梯研發設計、匠心智造、品牌營銷、安裝維保服務于一體的專業私家樓宇上下電梯綜合企業。目前公司主要運營電梯型號為GT系列、GH系列、GS系列、GN系列、GM系列等。公司擁有電梯特種行業資質,中國營銷中心座落于上海,巨菱制造工廠坐落于江蘇蘇州。巨菱智能私家電梯,伴您上下隨心,安全隨行!全國免費服務熱線:4006-456-818。
